AL-KO Biztonsági kapcsolófej AKS 3004
Leírás
AL-KO Biztonsági kapcsolófej AKS 3004:
	
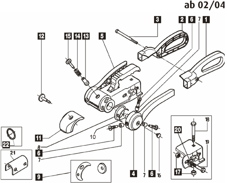
 Válasszon az alábbi kép és a táblázat alapján:
		
		 
	
| pozíció | megnevezés | 
| 1. | Kezelőkar baloldali | 
| 2. | Kezelőkar jobboldali | 
| 3. | Rögzítőcsavar | 
| 4. | Szorítóház baloldali komplett | 
| 5. | Szorítóház jobboldali komplett | 
| 6. | Rögzítőcsavar | 
| 9. | Kilences szorítópofa készlet elől/hátul ETI 811342 számig | 
| 9. | Kilences szorítópofa készlet elől/hátul ETI 811426 számtól | 
| 10. | Tömítőgyűrű | 
| 11. | Lágy védőburkolat | 
| 12. | Szorítópofa készlet | 
| 13. | Jelzőgomb belül | 
| 14. | Rugó | 
| 15. | Jelzőgomb kívül | 
| 16. | Oldalsó sapka | 
| 17. | Hatlapfejű anya | 
| 20. | Hézagoló | 
| 22. | Feszítőgyűrű | 
Kérjük, hogy a termék rendelhetőségéről és a pontos szállítási határidőről egyeztessen telefonon (+36 1 207 4434) vagy kérjen árajánlatot!
Vélemények
                            
                            Erről a termékről még nem érkezett vélemény.
                            
                        
                     
         
                                                											 
                                                											 
                                                											